
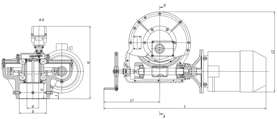
Regulating Valve 976-65-M for Smooth Liquid Flow Control
Bulk pricing available
FOB, CIF & EXW terms available
Description
Control valves are used as fluid flow regulators. Smooth regulation within the design flow rate is achieved by the shape of the valve needle. Place of installation: as a rule, they are installed on the cooling water injection pipelines in the cooling water treatment plant, ROU, BROU and on the process pipelines.
Installation requirements: valves are designed for outdoor installation and in closed rooms with ambient temperature up to +70 °C. Valves equipped with built-in actuators should be installed only on horizontal pipeline sections with actuator in upward position. Connection to pipeline: under welding.
Climatic design: ?, ???, ??,? according to GOST 15150-69. Placement category: 1, 2, 3 according to GOST 15150-69.
Specifications
Share your requirements for a quick response!
Delivery & Payment
Shipping Terms
Delivery Time
Payment Methods
Similar Products You May Be Interested In

Weather Protection for Radial Fans ZONT
View Details
Regulating Valve 6c-13-5 for Flow and Pressure Control
View Details
Dust-Gas-Air Duct Valve for Thermal Power Plants, Model PGVU 520*400
View Details
Automatic Flow Control Valve (RK)
View Details
Regulating Valve 976-250-ЭбЧ for Thermal Power Applications
View Details
Gate Valve for Steam Turbine Systems 1015-150-E
View Details
Regulating Valve with Rotary Disc Type 12с-4-4Э
View Details
Regulating Valve 10с-5-1Э for Liquid Flow Control
View Details
Duct Air Intake Grille Kanal-RVK
View Details
Slide Gate Valve for Liquid Flow Control, Shandor Model
View Details
Regulating Valve with Rotating Disc Type 12C-2-5
View Details
Regulating Valve 21с-100-3-Э
View DetailsVerified Suppliers
All products are sourced directly from authorized Russian manufacturers
Quality Assurance
Products meet international quality standards with proper certification
Global Shipping
Reliable logistics solutions to deliver products to your location
Secure Payments
Multiple secure payment options to facilitate international transactions