
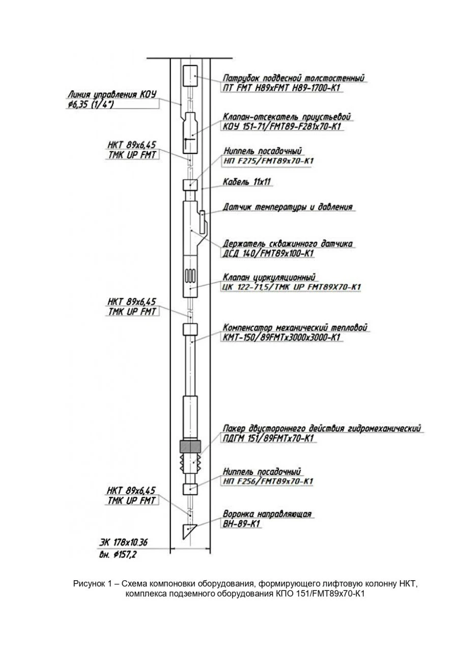
Underground Equipment Complex for Gas Extraction and Injection Applications Model 98300
Manufacturer:
IZMERON LLC
Price:
Request Quote
Bulk pricing available
FOB, CIF & EXW terms available
Description
Designed for installation in pipe-cased gas wells, for use in the following technological processes:
-gas and gas condensate production;
-injection of produced formation water into absorbing horizons;
-injection of technical fluid into the productive formation in order to maintain formation pressure; -injection of technical fluid into the reservoir
-injection of technical fluids into the productive formation in order to maintain formation pressure;
-control of thermobaric operating conditions (if pressure and temperature sensors are available);
-well killing, flushing, refilling;
-recovery of the well until formation production is obtained,
-inhibition of downhole equipment.
-gas and gas condensate production;
-injection of produced formation water into absorbing horizons;
-injection of technical fluid into the productive formation in order to maintain formation pressure; -injection of technical fluid into the reservoir
-injection of technical fluids into the productive formation in order to maintain formation pressure;
-control of thermobaric operating conditions (if pressure and temperature sensors are available);
-well killing, flushing, refilling;
-recovery of the well until formation production is obtained,
-inhibition of downhole equipment.
Specifications
Pressure
70 MPa
Model
98300
Share your requirements for a quick response!
Instant response in 15 minutes
Best wholesale prices guaranteed
Direct from manufacturer
Delivery & Payment
Shipping Terms
Delivery Time
Sea freight: 30-60 days (depending on destination)
Air freight: 14-21 days (for urgent orders)
Payment Methods
Similar Products You May Be Interested In

Fire Suppression System (Camera) UP
View Details
Rear Mounted Sweeper ZNSh-2500 for Dust and Debris Removal
View Details
Self-Propelled Passenger Stairs for Aircraft SEA 2445
View Details
Swelling Packer Type VNNP for Well Isolation
View Details
Open Type Fire Shield for Firefighting Equipment - ЩП-Е
View Details
Viking DCL-3G ESD Dry Storage Cabinet
View Details
Labeling Equipment Model AE
View Details
Flanged Check Valve with Indicator DN 65 PN 10 Series 458 (KMIА.491925.001-03)
View Details
Fire Cabinet for Firefighting Equipment, SHPK-310 Series "ELTI
View Details
Fire Safety Angle Valve Bronze DN 50, PN 1.0 MPa ITSHL.491216.005-02
View Details
Localized Automatic Water Fire Suppression System "Sprut" for Engine Rooms
View Details
Aircraft Toilet Service Vehicle SEA TS-2
View DetailsVerified Suppliers
All products are sourced directly from authorized Russian manufacturers
Quality Assurance
Products meet international quality standards with proper certification
Global Shipping
Reliable logistics solutions to deliver products to your location
Secure Payments
Multiple secure payment options to facilitate international transactions