
Cross-welded Mooring Bollard Type 1 Execution B for Secure Docking and Vessel Stabilization
Manufacturer:METMASH LLC
Price:Request Quote
Bulk pricing available
FOB, CIF & EXW terms available
Description
The metal structures that are used to hold a ship, yacht or boat at a berth in a certain position are called bollards or mooring bollards.
Specifications
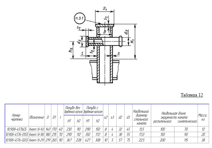
Diameter
140...219 mm
Type
in - cross-welded mortise-and-tenon single pedestal.
Material grade
cast steel
Weight
12...38 kg
Share your requirements for a quick response!
Instant response in 15 minutes
Best wholesale prices guaranteed
Direct from manufacturer
Delivery & Payment
Shipping Terms
Delivery Time
Sea freight: 30-60 days (depending on destination) Air freight: 14-21 days (for urgent orders)
Payment Methods
Similar Products You May Be Interested In

Smooth Vertical 45° Turn CPV41-0-45-050-300-HDZ ESCA
View Details
Smooth Cross Connector for Cable Tracing 80x100mm CKR01-0-080-100 ESCA
View Details
Vertical 90° Internal Bend CLP1V-080-200 ESCA for Cable Trays
View Details
32-Inch TV Back Steel Case Cover (Black)
View Details
Wall-Mounted Support Stand for Metal Trays CLW10-SNP-100-M-HDZ
View Details
Universal Horizontal Mounting Plate 174x340mm CLM50D-MPG-340-12
View Details
Plate Set for Plate Heat Exchanger FP/PF 3030
View Details
IEK HDZ Profile Connector CLP1Z-CP-M-HDZ
View Details
Aluminum Blinds for Sun Protection and Window Decoration
View Details
Water Pump Pulley Reflector 406.1308031
View Details
Non-Perforated Cable Tray 50x100x3000 CLN10-050-100-3-M-HDZ
View Details
Insulated Conductor Holder DPI-4.95GHz
View DetailsVerified Suppliers
All products are sourced directly from authorized Russian manufacturers
Quality Assurance
Products meet international quality standards with proper certification
Global Shipping
Reliable logistics solutions to deliver products to your location
Secure Payments
Multiple secure payment options to facilitate international transactions