
High-Performance Server for Data Centers - Model 1Э2С3-ФХД ТВГИ.466256.044
Manufacturer:MCST OJSC
Price:Request Quote
Bulk pricing available
FOB, CIF & EXW terms available
Description
Server 1E2C3-FCD TVGI.466256.044 is intended for import substitution, for use in data processing centres with a large number of parallel tasks and data storage systems.
Specifications
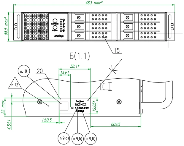
Length
740 mm
Width
483 mm
Height
88.5 mm
Weight
20 kg
Main (system) board
Panel 1E2C3-uATX
HDD drive
4096
SSD sata drive
480
SSD drive m2
240
Operating system
"Elbrus Linux" server version
RAM
32
RAM speed
3200
Network adapter
SFP, 1x10G, LRES1016PF-SFP+ (LR-LINK)
Case
2U-EATX
RAID disc controller
MegaRAID SAS 9361-8i 05-25420-08 (Broad-com)
Note: All specifications are provided by the manufacturer and may be subject to change. Please contact us to confirm the latest specifications before placing your order.
Share your requirements for a quick response!
Instant response in 15 minutes
Best wholesale prices guaranteed
Direct from manufacturer
Delivery & Payment
Shipping Terms
Delivery Time
Sea freight: 30-60 days (depending on destination) Air freight: 14-21 days (for urgent orders)
Payment Methods
Similar Products You May Be Interested In

Mid-Level 2U Server with High-Capacity Storage and Remote Management Compatibility T50 D212FW
View Details
Personal Electronic Computing Machine ARM T1 LYAUI.466256.005-01
View Details
High-Performance Graviton Server C2041A, ECRT.466535.001-15
View Details
Universal Server DataRu RN-231X-12, NIKA.466533.483
View Details
Rikor 2U-Int Server for Data Processing and Cloud Structures KDBA.466219.007
View Details
Data Processing Module for Streamlined Query Management (PMBG.466535.003-61.06)
View Details
Rubezh S1 Network Device KRPЕ.466539.012-01
View Details
Basic Arbiter Module for Data Storage (RMGB.466535.003-13.02)
View Details
General Purpose Rack Server KRAFTWAY TRUSTED TS3100 1U
View Details
High-Performance DEPO Storm 3470Z1R Server
View Details
Quantum Series Server PR2312-DBSGP12-2R 04374832.466219.003
View Details
Rikor 2U-Int Server for Data Processing and Cloud Structures - KDBA.466219.021-07
View DetailsVerified Suppliers
All products are sourced directly from authorized Russian manufacturers
Quality Assurance
Products meet international quality standards with proper certification
Global Shipping
Reliable logistics solutions to deliver products to your location
Secure Payments
Multiple secure payment options to facilitate international transactions