
R65 Type 2/9 Cross Piece for Track Switching - Essential Component for Rail Networks
Manufacturer:ZTO LLC
Price:Request Quote
Bulk pricing available
FOB, CIF & EXW terms available
Description
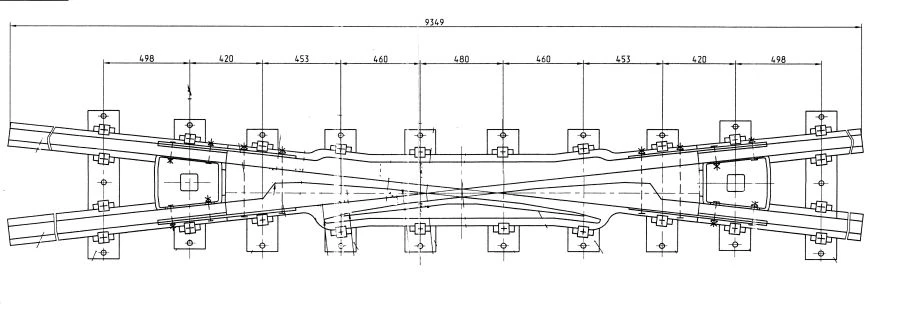
The blunt solid cast type R65 type R65 of mark 2/9 project 2999.02.000 is an integral part of the exit. It provides the direction of rolling stock from one track to another. The cross is operated outdoors in macroclimatic regions of temperate and cold climate, as a product UHL1 according to GOST 15150.
Specifications
Type of product according to PP RF 616
Track equipment and devices and their components (spare parts), not having independent groupings
Share your requirements for a quick response!
Instant response in 15 minutes
Best wholesale prices guaranteed
Direct from manufacturer
Delivery & Payment
Shipping Terms
Delivery Time
Sea freight: 30-60 days (depending on destination) Air freight: 14-21 days (for urgent orders)
Payment Methods
Similar Products You May Be Interested In

Crosspiece Type R65 Mark 1/9 (Project 2843.13.000)
View Details
Cross Rail with Counter Rail Project N01.003.4000.00-01
View Details
R65 Type Crosspiece Model 1/9 for Project N01.003.3000.00-01
View Details
R65 Type 2/9 Crosspiece for Project SP 566
View Details
Single Track Tram Switch R50 according to Epure 811 (Model 8609.00.000)
View Details
Curved Frame Rail Type P50 with Direct Spike, Project 1623.01.020-02
View Details
Cross Rail with Counter Rail for Project N02.001.7000.00-01
View Details
R65 Type Cross Joint Model 2/9 Project 1684.01.000
View Details
Straight Frame Rail with Curved Spike Project N01.003.1000.00
View Details
Cross Joint Type R65 Model 1/11 (Project 2956.03.000/-01)
View Details
Frame Rail with Spike for Switch Project 2307.01.010
View Details
Side Wear Protector for R65 Switch Type on Concrete Beams SP896.000
View DetailsVerified Suppliers
All products are sourced directly from authorized Russian manufacturers
Quality Assurance
Products meet international quality standards with proper certification
Global Shipping
Reliable logistics solutions to deliver products to your location
Secure Payments
Multiple secure payment options to facilitate international transactions