Steel Shut-off Ball Valve for Pipeline Connections - AТЭК.491284.025

Steel Shut-off Ball Valve AТЭК.491284.025 for Reliable Pipeline Connections

Manufacturer:ATEK OJSC
Price:Request Quote

Bulk pricing available

FOB, CIF & EXW terms available

Description

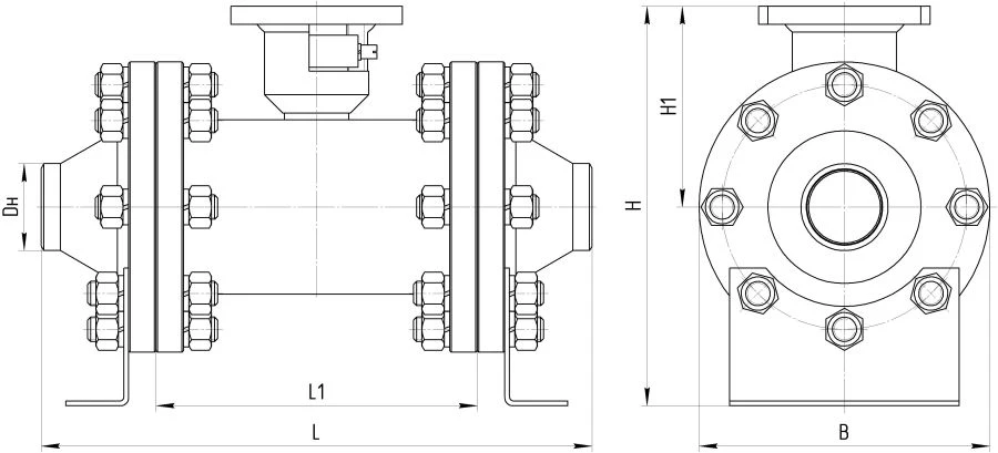
The steel ball valve is designed for hermetic separation (normally closed valve - NC) or connection (normally open valve - NO) of two sections of the pipeline on commands of control and protection systems. The valve is controlled by electric actuator or manual actuator installed on the valve. The tightness of the valve is class A of GOST 9544.

The valve is hermetically sealed in relation to the external environment. Connection to pipelines is welded. Welding is carried out by means of adapters on mating flanges.

The presence of mating flanges with adapters, which are elements of the design, provides a quick removal of the valve without cutting from the pipelines.

Specifications

Type of product according to PP RF 616
Shut-off valves for process control (gate valves, cocks, stop valves, disk gates and other fittings)
Nominal diameter
80 mm
Full bore
Tapered
Direction of the environment
By the arrow
Operating medium
Natural gas, fuel oil, diesel fuel, steam, water
Temperature, up to
250 °C
Nominal pressure, up to
2.5 MPa
Save Your Time

Share your requirements for a quick response!

Instant response in 15 minutes
Best wholesale prices guaranteed
Direct from manufacturer

Delivery & Payment

Shipping Terms

FOB Novorossiysk, RussiaCIF Available to major ports worldwideEXW Manufacturer's facility, Russia

Delivery Time

Sea freight: 30-60 days (depending on destination) Air freight: 14-21 days (for urgent orders)

Payment Methods

Letter of Credit (L/C)Wire Transfer (T/T)Escrow Services

Similar Products You May Be Interested In

Verified Suppliers

All products are sourced directly from authorized Russian manufacturers

Quality Assurance

Products meet international quality standards with proper certification

Global Shipping

Reliable logistics solutions to deliver products to your location

Secure Payments

Multiple secure payment options to facilitate international transactions

Your callback request has been received. We'll contact you shortly.