
Rubber Processing Machine Single-Screw MChX-90/10-L-CHB for Extrusion Applications
Bulk pricing available
FOB, CIF & EXW terms available
Description
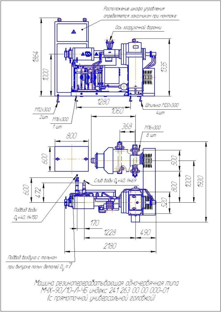
Designed for processing of rubber mixtures by extruding method (syringing) through the forming elements of the heads. Rubber processing machine single worm, cold feeding (temperature of the mixture when entering the feeding funnel is not more than 15...30°C), with a worm diameter of 90 mm, the ratio of the working length of the worm to its diameter (L/D)=10, capacity 650 ... 450 kg/h, with left-hand side location of the service area along the profile, with asynchronous motor power 55 kW and frequency converter, with straight-through universal head.
The machine can be supplied with angle, T-head, slotted, filter head. For processing silicone rubber mixtures, the machine is equipped with a worm with special threading, and there is no heating of thermal control zones in the thermal automation system. To ensure high performance and quality processing of rubber mixtures by the machine, the cross-sectional area of the profiled blanks and profiles should be from 1.7 to 17 cm2.
Specifications
Share your requirements for a quick response!
Delivery & Payment
Shipping Terms
Delivery Time
Payment Methods
Similar Products You May Be Interested In

Portable Vulcanizing Press for Conveyor Belt Splicing PCT
View Details
3D Printer for Creating Models - PlastoPRINT S1
View Details
Single-Screw Rubber Recycling Machine MCT-90/6-L-CHB
View Details
Single-Screw Rubber Processing Machine MCHX-32/10-P-CHB
View Details
Hydraulic Vulcanization Press 100-500 2E
View Details
Rubber Processing Machine MCHX-125/10-L-CHB
View Details
Rubber Processing Machine Single-Screw MCT-125/6-L-CHB
View Details
Single-Screw Rubber Processing Machine MCH-63/10-L-CHB
View Details
Polystyrene Foam Production and Processing Line Model "Penoceh-2000
View Details
Single-Screw Rubber Processing Machine MCHT-63/6-P-CHB
View Details
Rubber Processing Machine MCT-2-50/80-L-CHB
View Details
Hydraulic Vulcanization Press 40-250 1E
View DetailsVerified Suppliers
All products are sourced directly from authorized Russian manufacturers
Quality Assurance
Products meet international quality standards with proper certification
Global Shipping
Reliable logistics solutions to deliver products to your location
Secure Payments
Multiple secure payment options to facilitate international transactions